
AppIntel AI shows you the industry’s design innovations

SIRs often reveal more than submissions

Sometimes it's all in the math

Six ways AppIntel AI helps you get faster
regulatory approvals

Save millions in compliance costs

Cheapest, biggest and most current source of oil and gas breaking information

Be careful what you inject

Is technical debt costing you production?

4 jobs that AI is poised to take

Balance your new flood. Catch the upside.

Recovery boost by 50%

Replacing steam with methane

Maybe you too can sour-up your pipeline

Making the most of your new acquisition

Injectant additives prolong reserve life

Always choose the best return.

Leading to gas price increases

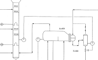
See his process flow diagrams

On demand within moments, not months.

Inject surfactant to increase recovery

Also: best recovery from infills + NCGI

Flood optimization raises production

Save 50% of your steam and improve recovery

Methane, propane, solvent or surfactant?